Crea, comparte, aprende y disfruta
Transistor
¿Qué es un transistor?
Los transistores son unos de los componentes electrónicos que más se utilizan, de hecho, se encuentra en prácticamente todos los aparatos eléctricos que utilizamos a diario.
¿Para qué se usan?
Tiene múltiples usos, puede utilizarse como conmutador, rectificador, amplificador, oscilador…
Tipos
Transistor NPN
Hoy en día la mayoría de los transistores que se usan son de este tipo, básicamente por
dos razones. Este tipo de transistores son más rápidos y pueden trabajar con corrientes más elevadas. La otra razón es que un NPN puede adaptarse para funcionar en lugar de un PNP, pero no funciona a la inversa.
Esta formado por una capa de material semiconductor cargado positivamente (P) y dos capas de material cargado negativamente. (N).
Por ello, para que funcione hay que aplicarle una tensión negativa en la base.
Transistor PNP

Este tipo de transistores están empezando a caer en desuso debido a las cualidades antes citadas de los NPN.
Esta formado por un material cargando negativamente (N) que se encuentra entre dos materiales cargados positivamente (P)
Si aplicamos una pequeña corriente a la base, el transistor permite el paso de corriente entre el colector y el emisor.
En sus símbolos, la flecha apunta en la dirección en la circula la corriente cuando el transistor se encuentra en activa.
¿Cómo funciona?
Cuando trabajamos con transistores, siempre tenemos que tener en cuenta lo que se conoce como zonas de trabajo, ya que dependiendo de en cual se encuentre, varia su comportamiento.
Corte
Se dice que un transistor está en corte cuando:
corriente de colector = corriente de emisor
Recordemos que un voltaje es una DIFERENCIA de potencial entre dos puntos, en este caso tal diferencia no existe, por lo que no hay corriente circulando por el transistor.
Debido a esto, no sacara nada por la base, podría decirse que un transistor en corte es como un interruptor abierto, no permite que haya corriente atravesando el circuito.
Saturación
corriente de colector = corriente de emisor = corriente máxima
Los transistores requieren cierta potencia para funcionar,esta potencia depende del transistor y se puede consultar en su correspondiente Dathaseet. Cuando la diferencia entre el colector y el emisor no supera el mínimo requerido ( al que se conoce como valor umbral) el transistor no es capaz de funcionar ampliando lo que se le manda.
En este caso, se limita a dejar pasar la corriente tal y como la recibe, como si se tratase de un cable, entra por un lado y sale por el otro sin sufrir cambios.
Activa
Cuando el transistor no se encuentra en ninguna de las regiones anteriores, es porque se encuentra en una intermedia, a la que llamamos región activa.
En este caso el transistor funciona como un amplificador de señal.
Configuraciones
Emisor Común
Aplicamos una señal por la base del transistor y la recibimos amplificada por la colector. El emisor se conecta a tierra.
De esta forma logramos ganancia tanto de tensión como de corriente.
Base Común
Aplicamos una señal por el emisor y la obtenemos por el colector. La base se conecta a masa.
De esta forma obtenemos una ganancia de tensión, la corriente es prácticamente la misma.
Colector Común
La señal se aplica a la base del transistor y se obtiene por el emisor. El colector se conecta a masa.
De esta forma obtenemos una ganancia de corriente, la tensión se queda prácticamente como entro ( es algo inferior).
Montajes
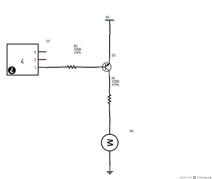
Etapa de Potencia
A veces queremos activar algo con un integrado, pero este no tiene potencia suficiente para ponerlo en marcha. Ese es uno de los casos para el que los amplificadores son útiles. Este seria el ejemplo más simple.
Cuando el componente que sea ( representado como una caja con un interrogante) envía una señal para encender el motor esta va a la base del transistor, al ser un PNP esta corriente produce que el transistor permita el paso de electricidad desde la fuente hasta el motor.
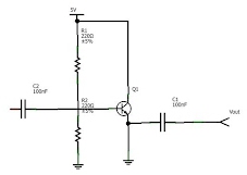
Oscilador
Este es un típico esquema de oscilador Astable.
Si nos fijamos, los dos transistores están continuamente alternando entre su estado de corte y su estado de saturación. O lo que es lo mismo, están continuamente abriendo y cerrando el circuito, esta es la razón de que se cree esa alternancia.
Si lo analizamos detenidamente, es fácil ver como lo hace. Imaginemos que Q1 esta en saturación (Deja pasar la corriente) y Q2 esta en corte ( no deja pasar la corriente). Entonces el condensador C1 comienza a cargarse. Cuando se descarga, inyecta corriente en la base de Q2 que pasa a estar en saturación, lo que hace que conduzca la corriente, esto bloquea la base de Q1 que pasa a estar en corte. En ese momento C2 comienza a cargarse, cuando lo este, repetirá el ciclo a la inversa.
Para poder visualizar lo que pasa, hemos colocado dos Led, pero en ese lugar podría colocarse cualquier cosa que requiera un oscilador astable.



Deja una respuesta