Trastejant

Crea, comparte, aprende y disfruta

Estabilizar la tensión de un circuito

Estabilizar un circuito

A la hora de diseñar nuestros proyectos tenemos que ser muy cuidados con el tema de la alimentación, especialmente si vamos a utilizar cualquier tipo de microcontrolador.

No basta con colocar un regulador de tensión (cómo un un 78xx), que entregue el voltaje que requiere nuestro sistema, también es necesario que este voltaje este estabilizado para evitar que un gasto «extra» (cómo un motor al encenderse, por ejemplo) puede producir una caída de tensión y producir un mal funcionamiento o producir que nuestro microcontrolador se reinicie.

Por suerte, estos problemas tienen fácil solución y con unos pocos componentes podemos lograr tener todos nuestros componentes bien alimentados.

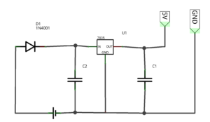
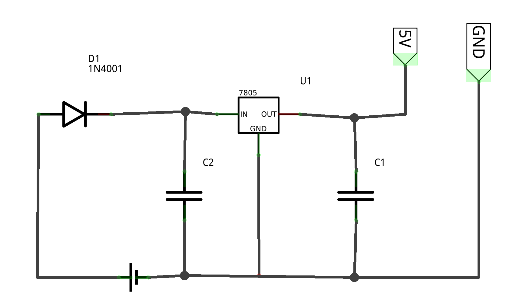
El esquema para lograr esto es como este:

Estabilizar un circuitoSencillo ¿verdad?, veamos cómo funciona

¿Como funciona?

Cuando el circuito es alimentado, los condensadores se cargan, de esta forma tenemos una pequeña reserva de electricidad disponible para compensar posibles consumos extra por parte del sistema.

Además, para evitar posibles errores al conectar la fuente de alimentación hemos colocado un diodo que evitará que la corriente se mueva en una dirección incorrecta, lo que podría dañar los componentes que tienen polaridad.


También te puede interesar...

No hay temas relacionados

Deja una respuesta

Tu dirección de correo electrónico no será publicada.

Este sitio usa Akismet para reducir el spam. Aprende cómo se procesan los datos de tus comentarios.